
Ürün Bilgisi
Detaylı Açıklama
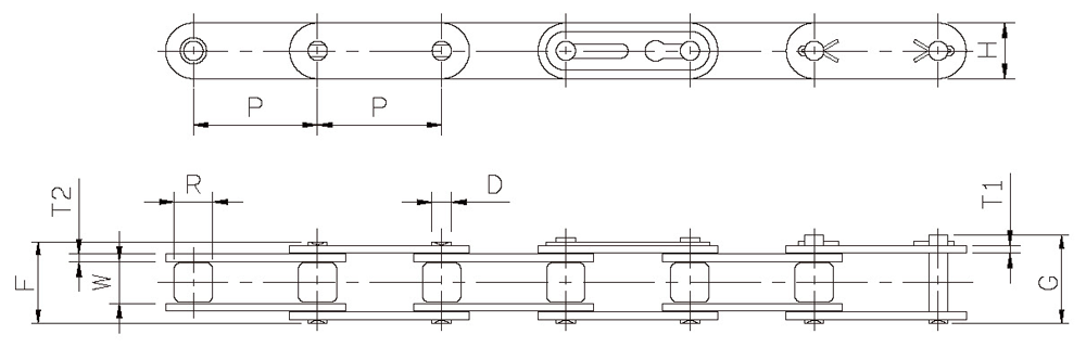
|
CHAIN NO. |
Pitch |
Width |
Roller |
Plate |
Pin |
Ultimate Strength Kgf(min) |
Approx Weight Kg/m |
|||||
|
P |
W |
Dia |
Height |
Thickness |
Dia |
Length |
||||||
|
inch |
mm |
(min) |
R(max) |
H(max) |
T1 |
T2 |
D(max) |
F(max) |
G(max) |
|||
|
A2040 |
1” |
25.40 |
7.85 |
7.92 |
12.0 |
1.50 |
1.50 |
3.98 |
17.8 |
21.7 |
1418 |
0.40 |
|
A2050 |
1-1/4” |
31.75 |
9.40 |
10.16 |
15.0 |
2.00 |
2.00 |
5.09 |
21.8 |
25.9 |
2224 |
0.66 |
|
A2060 |
1-1/2” |
38.10 |
12.57 |
11.91 |
18.1 |
2.40 |
2.40 |
5.96 |
26.9 |
31.5 |
3194 |
0.93 |
|
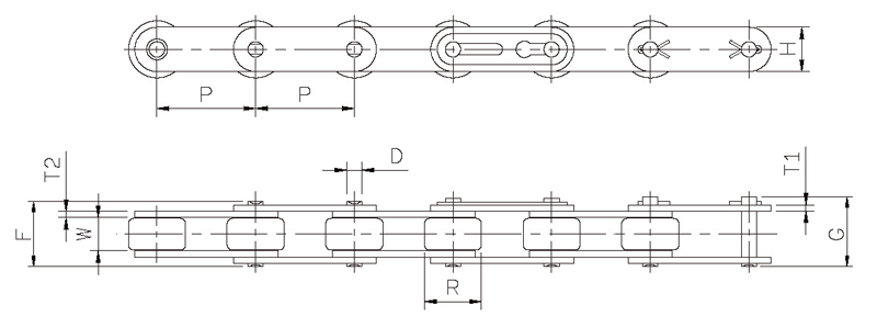
CHAIN NO. |
Pitch |
Width |
Roller |
Plate |
Pin |
Ultimate Strength Kgf(min) |
Approx Weight Kg/m |
|||||
|
P |
W |
Dia |
Height |
Thickness |
Dia |
Length |
||||||
|
inch |
mm |
(min) |
R(max) |
H(max) |
T1 |
T2 |
D(max) |
F(max) |
G(max) |
|||
|
C2040 |
1” |
25.40 |
7.85 |
7.92 |
12.0 |
1.50 |
1.50 |
3.98 |
17.8 |
21.7 |
1418 |
0.49 |
|
C2050 |
1-1/4” |
31.75 |
9.40 |
10.16 |
15.0 |
2.00 |
2.00 |
5.09 |
21.8 |
25.9 |
2224 |
0.84 |
|
C2060H |
1-1/2” |
38.10 |
12.57 |
11.91 |
18.0 |
3.20 |
3.20 |
5.96 |
30.2 |
34.8 |
3194 |
1.45 |
|
C2080H |
2” |
50.80 |
15.75 |
15.88 |
24.1 |
4.00 |
4.00 |
7.94 |
37.4 |
42.8 |
5673 |
2.41 |
|
C2100H |
2-1/2” |
63.50 |
18.90 |
19.05 |
30.1 |
4.80 |
4.80 |
9.54 |
44.5 |
50.6 |
8878 |
3.50 |
|
C2120H |
3” |
76.20 |
25.22 |
22.23 |
36.2 |
5.60 |
5.60 |
11.11 |
55.0 |
61.6 |
12755 |
6.00 |
|
C2160H |
4” |
101.60 |
31.55 |
28.58 |
48.2 |
7.20 |
7.20 |
14.29 |
69.4 |
77.3 |
22755 |
8.80 |
|
CHAIN NO. |
Pitch |
Width |
Roller |
Plate |
Pin |
Ultimate Strength Kgf(min) |
Approx Weight Kg/m |
|||||
|
P |
W |
Dia |
Height |
Thickness |
Dia |
Length |
||||||
|
inch |
mm |
(min) |
R(max) |
H(max) |
T1 |
T2 |
D(max) |
F(max) |
G(max) |
|||
|
C2042 |
1” |
25.40 |
7.85 |
15.88 |
12.0 |
1.50 |
1.50 |
3.98 |
17.8 |
21.7 |
1418 |
0.86 |
|
C2052 |
1-1/4” |
31.75 |
9.40 |
19.05 |
15.0 |
2.00 |
2.00 |
5.09 |
21.8 |
25.9 |
2224 |
1.32 |
|
C2062H |
1-1/2” |
38.10 |
12.57 |
22.23 |
18.0 |
3.20 |
3.20 |
5.96 |
30.2 |
34.8 |
3194 |
2.17 |
|
C2082H |
2” |
50.80 |
15.75 |
28.58 |
24.1 |
4.00 |
4.00 |
7.94 |
37.4 |
42.8 |
5673 |
3.45 |
|
C2102H |
2-1/2” |
63.50 |
18.90 |
39.67 |
30.1 |
4.80 |
4.80 |
9.54 |
44.5 |
50.6 |
8878 |
4.68 |
|
C2122H |
3” |
76.20 |
25.22 |
44.45 |
36.2 |
5.60 |
5.60 |
11.11 |
55.0 |
61.6 |
12755 |
8.00 |
|
C2162H |
4” |
101.60 |
31.55 |
57.15 |
48.2 |
7.20 |
7.20 |
14.29 |
69.4 |
77.3 |
22755 |
13.52 |