
Ürün Bilgisi
PHS POS Paslanmaz manda gözleri olarak ürünler mevcuttur.
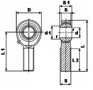
Detaylı Açıklama
PHS / POS Tipi Rulman Çeşitleri
| RULMAN KODU | d (mm) | D (mm) | B (mm) |
| PHS 03 A | 3 | 12 | 27 |
| PHS 03 LA | 3 | 12 | 27 |
| PHS 04 LA | 4 | 14 | 31 |
| PHS 04 A | 4 | 14 | 31 |
| PHS 05 A | 5 | 16 | 35 |
| PHS 05 LA | 5 | 16 | 35 |
| PHS 06 LA | 6 | 18 | 39 |
| PHS 06 A | 6 | 18 | 39 |
| PHS 08 A | 8 | 22 | 47 |
| PHS 08 LA | 8 | 22 | 47 |
| PHS 10 LA | 10 | 26 | 56 |
| PHS 10 LB | 10 | 26 | 56 |
| PHS 10 A | 10 | 26 | 56 |
| PHS 10 B | 10 | 26 | 56 |
| PHS 12 A | 12 | 30 | 65 |
| PHS 12 B | 12 | 30 | 65 |
| PHS 12 LA | 12 | 30 | 65 |
| PHS 12 LB | 12 | 30 | 65 |
| PHS 14 LA | 14 | 34 | 74 |
| PHS 14 LB | 14 | 34 | 74 |
| PHS 14 A | 14 | 34 | 74 |
| PHS 14 B | 14 | 34 | 74 |
| PHS 16 A | 16 | 38 | 83 |
| PHS 16 B | 16 | 38 | 83 |
| PHS 16 LA | 16 | 38 | 83 |
| PHS 16 LB | 16 | 38 | 83 |
| PHS 18 LA | 18 | 42 | 92 |
| PHS 18 A | 18 | 42 | 92 |
| PHS 20 A | 20 | 46 | 100 |
| PHS 20 LA | 20 | 46 | 100 |
| PHS 22 LA | 22 | 50 | 109 |
| PHS 22 A | 22 | 50 | 109 |
| PHS 25 A | 25 | 60 | 124 |
| PHS 25 LA | 25 | 60 | 124 |
| PHS 28 A | 28 | 66 | 136 |
| PHS 28 LA | 28 | 66 | 136 |
| PHS 30 LA | 30 | 70 | 145 |
| PHS 30 A | 30 | 70 | 145 |
| PHS 35 A | 35 | 82 | 173 |
| PHS 35 LA | 35 | 82 | 173 |
| RULMAN KODU | d (mm) | D (mm) | B (mm) |
| POS 03 A | 3 | 12 | 33 |
| POS 03 LA | 3 | 12 | 33 |
| POS 04 LA | 4 | 14 | 37 |
| POS 04 A | 4 | 14 | 37 |
| POS 05 A | 5 | 16 | 41 |
| POS 05 LA | 5 | 16 | 41 |
| POS 06 LA | 6 | 18 | 45 |
| POS 06 A | 6 | 18 | 45 |
| POS 08 A | 8 | 22 | 53 |
| POS 08 LA | 8 | 22 | 53 |
| POS 10 LA | 10 | 26 | 61 |
| POS 10 A | 10 | 26 | 61 |
| POS 12 A | 12 | 30 | 69 |
| POS 12 LA | 12 | 30 | 69 |
| POS 14 LA | 14 | 34 | 77 |
| POS 14 A | 14 | 34 | 77 |
| POS 16 A | 16 | 38 | 85 |
| POS 16 LA | 16 | 38 | 85 |
| POS 18 LA | 18 | 42 | 93 |
| POS 18 A | 18 | 42 | 93 |
| POS 20 A | 20 | 46 | 101 |
| POS 20 LA | 20 | 46 | 101 |
| POS 22 LA | 22 | 50 | 109 |
| POS 22 A | 22 | 50 | 109 |
| POS 25 A | 25 | 60 | 124 |
| POS 25 LA | 25 | 60 | 124 |
| POS 30 LA | 28 | 66 | 136 |
| POS 28 A | 28 | 66 | 136 |
| POS 28 LA | 30 | 70 | 145 |
| POS 30 A | 30 | 70 | 145 |
| POS 35 A | 35 | 82 | 175 |
| POS 35 LA | 35 | 82 | 175 |