
Ürün Bilgisi
Detaylı Açıklama
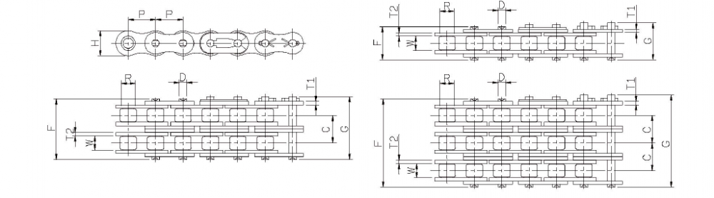
| CHAIN NO. | Pitch | Width | Roller | Plate | Pin | Transverse Pitch | Ultimate Strength kgf(min) | Approx Weight kg/m | |||||
| P | W | Dia | Height | Thickness | Dia | Length | |||||||
| inch | mm | (min) | R(max) | H(max) | T1 | T2 | D(max) | F(max) | G(max) | C | |||
| *25-1 | 1/4” | 6.35 | 3.10 | 3.30 | 6.02 | 0.75 | 0.75 | 2.31 | 9.1 | 11.6 | - | 357 | 0.14 | 
| *25-2 | 1/4” | 6.35 | 3.10 | 3.30 | 6.02 | 0.75 | 0.75 | 2.31 | 15.5 | 18.0 | 6.40 | 714 | 0.26 | 
| *25-3 | 1/4” | 6.35 | 3.10 | 3.30 | 6.02 | 0.75 | 0.75 | 2.31 | 21.8 | 24.3 | 6.40 | 1071 | 0.40 | 
| *35-1 | 3/8” | 9.525 | 4.68 | 5.08 | 9.05 | 1.25 | 1.25 | 3.60 | 13.2 | 16.5 | - | 806 | 0.33 | 
| *35-2 | 3/8” | 9.525 | 4.68 | 5.08 | 9.05 | 1.25 | 1.25 | 3.60 | 23.4 | 26.7 | 10.10 | 1612 | 0.69 | 
| *35-3 | 3/8” | 9.525 | 4.68 | 5.08 | 9.05 | 1.25 | 1.25 | 3.60 | 33.5 | 36.8 | 10.10 | 2418 | 1.05 | 
| 41 | 1/2” | 12.70 | 6.25 | 7.77 | 9.91 | 1.25 | 1.25 | 3.60 | 14.0 | 16.0 | - | 684 | 0.41 | 
| 40-1 | 1/2” | 12.70 | 7.85 | 7.92 | 12.07 | 1.50 | 1.50 | 3.98 | 17.8 | 21.7 | - | 1418 | 0.63 | 
| 40-2 | 1/2” | 12.70 | 7.85 | 7.92 | 12.07 | 1.50 | 1.50 | 3.98 | 32.3 | 36.2 | 14.40 | 2837 | 1.19 | 
| 40-3 | 1/2” | 12.70 | 7.85 | 7.92 | 12.07 | 1.50 | 1.50 | 3.98 | 46.7 | 50.6 | 14.40 | 4255 | 1.77 | 
| 50-1 | 5/8” | 15.875 | 9.40 | 10.16 | 15.09 | 2.00 | 2.00 | 5.09 | 21.8 | 25.9 | - | 2224 | 1.01 | 
| 50-2 | 5/8” | 15.875 | 9.40 | 10.16 | 15.09 | 2.00 | 2.00 | 5.09 | 39.9 | 44.0 | 18.10 | 4449 | 2.04 | 
| 50-3 | 5/8” | 15.875 | 9.40 | 10.16 | 15.09 | 2.00 | 2.00 | 5.09 | 57.9 | 62.0 | 18.10 | 6673 | 3.05 | 
| 60-1 | 3/4” | 19.05 | 12.57 | 11.91 | 18.10 | 2.40 | 2.40 | 5.96 | 26.9 | 31.5 | - | 3194 | 1.44 | 
| 60-2 | 3/4” | 19.05 | 12.57 | 11.91 | 18.10 | 2.40 | 2.40 | 5.96 | 49.8 | 54.4 | 22.80 | 6388 | 3.03 | 
| 60-3 | 3/4” | 19.05 | 12.57 | 11.91 | 18.10 | 2.40 | 2.40 | 5.96 | 72.6 | 77.2 | 22.80 | 9582 | 4.50 | 
| 80-1 | 1” | 25.40 | 15.75 | 15.88 | 24.13 | 3.20 | 3.20 | 7.94 | 33.5 | 38.9 | - | 5673 | 2.40 | 
| 80-2 | 1” | 25.40 | 15.75 | 15.88 | 24.13 | 3.20 | 3.20 | 7.94 | 62.7 | 68.1 | 29.30 | 11347 | 5.26 | 
| 80-3 | 1” | 25.40 | 15.75 | 15.88 | 24.13 | 3.20 | 3.20 | 7.94 | 91.9 | 97.3 | 29.30 | 17020 | 7.80 | 
| 100-1 | 1-1/4” | 31.75 | 18.90 | 19.05 | 30.17 | 4.00 | 4.00 | 9.54 | 41.1 | 47.2 | - | 8878 | 3.74 | 
| 100-2 | 1-1/4” | 31.75 | 18.90 | 19.05 | 30.17 | 4.00 | 4.00 | 9.54 | 77.0 | 83.1 | 35.80 | 17755 | 7.51 | 
| 100-3 | 1-1/4” | 31.75 | 18.90 | 19.05 | 30.17 | 4.00 | 4.00 | 9.54 | 113.0 | 119.1 | 35.80 | 26633 | 11.20 | 
| 120-1 | 1-1/2” | 38.10 | 25.22 | 22.23 | 36.20 | 4.80 | 4.80 | 11.11 | 50.8 | 57.4 | - | 12755 | 6.18 | 
| 120-2 | 1-1/2” | 38.10 | 25.22 | 22.23 | 36.20 | 4.80 | 4.80 | 11.11 | 96.3 | 102.9 | 45.40 | 25510 | 12.25 | 
| 120-3 | 1-1/2” | 38.10 | 25.22 | 22.23 | 36.20 | 4.80 | 4.80 | 11.11 | 141.7 | 148.3 | 45.40 | 38265 | 18.30 | 
| 140-1 | 1-3/4” | 44.45 | 25.22 | 25.40 | 42.23 | 5.60 | 5.60 | 12.71 | 54.9 | 62.3 | - | 17347 | 7.49 | 
| 140-2 | 1-3/4” | 44.45 | 25.22 | 25.40 | 42.23 | 5.60 | 5.60 | 12.71 | 103.6 | 111.0 | 48.90 | 34694 | 14.83 | 
| 140-3 | 1-3/4” | 44.45 | 25.22 | 25.40 | 42.23 | 5.60 | 5.60 | 12.71 | 152.4 | 159.8 | 48.90 | 52041 | 22.20 | 
| 160-1 | 2” | 50.80 | 31.55 | 28.58 | 48.26 | 6.40 | 6.40 | 14.29 | 65.5 | 73.4 | - | 22755 | 10.10 | 
| 160-2 | 2” | 50.80 | 31.55 | 28.58 | 48.26 | 6.40 | 6.40 | 14.29 | 124.2 | 132.1 | 58.50 | 45510 | 20.04 | 
| 160-3 | 2” | 50.80 | 31.55 | 28.58 | 48.26 | 6.40 | 6.40 | 14.29 | 182.9 | 190.8 | 58.50 | 68265 | 30.02 | 
| 180-1 | 2-1/4” | 57.15 | 35.48 | 35.71 | 54.30 | 7.10 | 7.10 | 17.46 | 73.9 | 83.0 | - | 28673 | 13.40 | 
| 180-2 | 2-1/4” | 57.15 | 35.48 | 35.71 | 54.30 | 7.10 | 7.10 | 17.46 | 140.0 | 149.1 | 65.84 | 57347 | 26.20 | 
| 180-3 | 2-1/4” | 57.15 | 35.48 | 35.71 | 54.30 | 7.10 | 7.10 | 17.46 | 206.0 | 215.1 | 65.84 | 86020 | 38.10 | 
| 200-1 | 2-1/2” | 63.50 | 37.85 | 39.68 | 60.33 | 8.00 | 8.00 | 19.85 | 80.3 | 90.5 | - | 35408 | 16.50 | 
| 200-2 | 2-1/2” | 63.50 | 37.85 | 39.68 | 60.33 | 8.00 | 8.00 | 19.85 | 151.9 | 162.1 | 71.60 | 70816 | 32.70 | 
| 200-3 | 2-1/2” | 63.50 | 37.85 | 39.68 | 60.33 | 8.00 | 8.00 | 19.85 | 223.5 | 233.7 | 71.60 | 106224 | 49.05 | 
| 240-1 | 3” | 76.20 | 47.35 | 47.63 | 72.40 | 9.50 | 9.50 | 23.81 | 95.5 | 106.0 | - | 51020 | 24.20 | 
| 240-2 | 3” | 76.20 | 47.35 | 47.63 | 72.40 | 9.50 | 9.50 | 23.81 | 183.4 | 193.9 | 87.80 | 102041 | 47.80 | 
| 240-3 | 3” | 76.20 | 47.35 | 47.63 | 72.40 | 9.50 | 9.50 | 23.81 | 271.3 | 281.8 | 87.80 | 153061 | 71.10 | 
*Rollerless chain , R(max) indicates bushing diameter.
 
                                    