TR
EN
Bize Ulaşın
0224 443 29 00
Rulmanlar
Güç Aktarma Elemanları
Mühendislik Plastikleri
Konveyor Ekipmanları
E. Motorları & Redüktörler
İletişim
1987’den Günümüze
TR
EN
Bize Ulaşın
0224 443 29 00
Rulmanlar
Güç Aktarma Elemanları
Mühendislik Plastikleri
Konveyor Ekipmanları
E. Motorları & Redüktörler
İletişim
Ana Sayfa
Ürünlerimiz
Güç Aktarma Elemanları
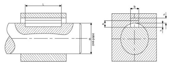
Mil Kamaları
Mil Kamaları
Standar ve özel ölçülerde kamalar
Boy kamalar
Kategori:
Güç Aktarma Elemanları
Ürün Açıklaması
Zamanında Teslimat
Samimi ve Güler Yüzlü Hizmet
Ekonomik Fiyatlar
30 Yıllık Tecrübe